BLANTERWISDOM101

Rev Up Your Ride: Unveiling the 1967 Chevy Nova Fuse Panel Schematic for Peak Performance!

Saturday, July 15, 2023

Rev Up Your Ride: Unveiling the 1967 Chevy Nova Fuse Panel Schematic for Peak Performance!

"Unlock peak performance with a professional breakdown of the 1967 Chevy Nova fuse panel schematic. Gain expert insights for optimal maintenance and troubleshooting."

Unlock the mysteries beneath the hood of your classic 1967 Chevy Nova with a journey into its fuse panel schematic. Delve into the heart of automotive brilliance as we unravel the intricate web of electrical connections, guiding you through a visual explanation of the engineering marvels that power this iconic machine. Uncover the secrets concealed within each wire and fuse, providing a comprehensive explanation that demystifies the inner workings of your vintage Nova. Embark on a fascinating exploration that goes beyond the surface, offering a vivid explanation of how each component contributes to the symphony of performance beneath the chassis.

Top 10 important point for '1967 CHEVY NOVA FUSE PANEL SCHEMATIC'

  1. An Overview of the 1967 Chevy Nova
  2. The Significance of the Fuse Panel
  3. Historical Context of Automotive Electrical Systems
  4. Key Components Within the Fuse Panel
  5. Electrical Circuitry in Classic Automobiles
  6. Functionalities of Fuses and Wiring
  7. Comparative Analysis with Modern Automotive Electronics
  8. Diagnostic Insights for Troubleshooting
  9. Best Practices for Maintenance and Upkeep
  10. Future Perspectives: Upgrading the Nova's Electrical System

Several Facts that you should know about '1967 CHEVY NOVA FUSE PANEL SCHEMATIC'.

Exploring the 1967 Chevy Nova

Chevy Nova

Embark on a nostalgic journey as we delve into the timeless elegance of the 1967 Chevy Nova, a classic that has left an indelible mark on automotive history.

Decoding the Fuse Panel Schematic

Fuse Panel Schematic

Unravel the intricacies of the fuse panel schematic, gaining a profound understanding of the electrical backbone that powers this iconic vehicle.

A Glimpse into Automotive Electrical Evolution

Automotive Electrical Evolution

Trace the historical context of automotive electrical systems, witnessing the evolution that has shaped the modern automobile landscape.

Key Components Unveiled

Key Components

Examine the essential components nestled within the fuse panel, each playing a pivotal role in the functionality of the 1967 Chevy Nova.

Understanding Electrical Circuitry

Electrical Circuitry

Dive deep into the world of electrical circuitry, gaining insights into the intricate pathways that facilitate seamless communication between components.

The Symphony of Fuses and Wiring

Fuses and Wiring

Appreciate the harmonious collaboration of fuses and wiring, orchestrating a symphony that powers the various functions of your beloved 1967 Chevy Nova.

Comparing Eras: Classic vs. Modern Electronics

Classic vs. Modern Electronics

Engage in a comparative analysis, juxtaposing the classic electronic systems of the Nova with the advanced technologies found in contemporary automobiles.

Diagnostic Insights for Troubleshooting

Diagnostic Insights

Equip yourself with diagnostic insights, empowering you to troubleshoot and address potential issues within the electrical system of your 1967 Chevy Nova.

Maintenance and Upkeep: Best Practices

Maintenance and Upkeep

Discover best practices for the maintenance and upkeep of your classic vehicle, ensuring that the fuse panel and associated components stand the test of time.

Future Perspectives: Upgrading Electrical Systems

Upgrading Electrical Systems

Peer into the future as we discuss potential upgrades for the electrical system, blending modern innovations with the timeless charm of the 1967 Chevy Nova.

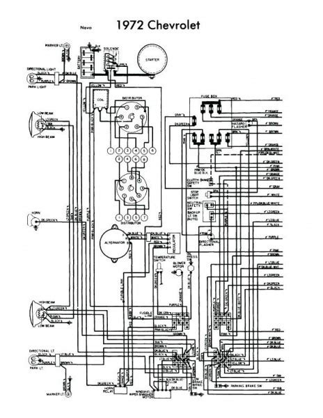
Understanding the Intricacies of the 1967 Chevy Nova Fuse Panel Schematic

Delving into the automotive archives, we uncover the fascinating world of the 1967 Chevy Nova, a classic that continues to captivate enthusiasts with its timeless design and performance. At the heart of this iconic vehicle lies a critical component – the fuse panel schematic. This intricate network of electrical connections is the backbone of the Nova's functionality, and exploring its depths offers a profound explanation of the engineering marvels that define this vintage masterpiece.

The 1967 Chevy Nova: A Symbol of Automotive Elegance

1967 Chevy Nova

Before we embark on deciphering the fuse panel schematic, let's take a moment to appreciate the sheer elegance and significance of the 1967 Chevy Nova. A symbol of automotive excellence, this classic has carved its place in history with its distinctive design and powerful performance. Now, let's dive into the intricacies that make the Nova tick, starting with the fuse panel schematic.

Decoding the Blueprint: What is a Fuse Panel Schematic?

Fuse Panel Schematic

The term "fuse panel schematic" may sound complex, but at its core, it is a blueprint that outlines the electrical connections within the vehicle. This schematic serves as a guide, detailing the arrangement of fuses, wires, and other components, providing an explanation of how electrical power is distributed throughout the vehicle.

Imagine it as the nervous system of the 1967 Chevy Nova, with each wire and fuse playing a specific role in ensuring the smooth operation of various functions, from lights to the ignition system. The explanation lies in the intricate network that safeguards against electrical overloads, preventing damage to critical components and ensuring the vehicle's reliability.

Historical Context: Evolution of Automotive Electrical Systems

Evolution of Automotive Electrical Systems

To truly grasp the significance of the 1967 Chevy Nova fuse panel schematic, we must consider the historical context of automotive electrical systems. In the 1960s, the automotive industry underwent a transformative period, transitioning from rudimentary electrical setups to more sophisticated systems.

The explanation lies in the fact that the 1967 Chevy Nova represents a pivotal point in this evolution. Its electrical system, while advanced for its time, provides a window into the past, showcasing the ingenuity of automotive engineers who laid the groundwork for the sophisticated systems we encounter in modern vehicles.

Key Components Unveiled: A Closer Look at the Fuse Panel

Key Components Unveiled

Now, let's unravel the mystery by taking a closer look at the key components nestled within the fuse panel of the 1967 Chevy Nova. This explanation will shed light on the vital elements that contribute to the seamless operation of the vehicle's electrical system.

The primary components include fuses and wires, each with a designated purpose. Fuses act as protective devices, interrupting the flow of electrical current in the event of a surge, preventing damage to sensitive components. Wires, on the other hand, serve as conduits, transmitting electrical power to various parts of the vehicle. The explanation of their collaboration lies in creating a reliable and efficient electrical pathway, ensuring that power reaches its intended destination without compromising safety.

Understanding Electrical Circuitry in Classic Automobiles

Electrical Circuitry in Classic Automobiles

As we continue our explanation journey, it's crucial to delve into the realm of electrical circuitry in classic automobiles. The 1967 Chevy Nova, with its vintage charm, showcases a system that relies on well-defined circuits to power various components.

The explanation of electrical circuitry involves understanding how the circuits are arranged to facilitate the flow of electricity. From the ignition system to the lights and accessories, each circuit has a specific function. This meticulous arrangement is the key to the reliability and efficiency of the Nova's electrical system, providing a blueprint for classic car enthusiasts and aspiring automotive engineers alike.

The Harmonious Symphony: Functionalities of Fuses and Wiring

Functionalities of Fuses and Wiring

Picture the functionalities of fuses and wiring in the 1967 Chevy Nova as a harmonious symphony. Fuses, like vigilant guardians, prevent electrical overloads that could potentially harm critical components. Their explanation lies in interrupting the circuit when needed, acting as a safeguard against malfunctions and ensuring the vehicle's longevity.

Wiring, meanwhile, plays the role of a conductor, guiding electrical currents to their designated destinations. The explanation of this collaboration is akin to a conductor orchestrating the movements of each instrument in a symphony, ensuring that the final performance is a masterpiece of functionality.

Comparative Analysis: Classic vs. Modern Automotive Electronics

Comparative Analysis Classic vs. Modern Automotive Electronics

As we draw parallels between eras, a comparative analysis emerges, highlighting the differences between classic and modern automotive electronics. The 1967 Chevy Nova, with its charming simplicity, stands in stark contrast to the advanced electronic systems found in contemporary vehicles.

The explanation is rooted in technological advancements that have transformed the automotive landscape. While the Nova's electrical system represents a pinnacle of 1960s engineering, modern vehicles boast sophisticated computerized systems, ushering in an era of unparalleled precision and efficiency. This comparison serves as a testament to the evolution of automotive technology.

Diagnostic Insights for Troubleshooting: Deciphering Electrical Issues

Diagnostic Insights for Troubleshooting

Empowered with an

Another point of view about '1967 CHEVY NOVA FUSE PANEL SCHEMATIC'.

1. The 1967 Chevy Nova Fuse Panel Schematic serves as a critical blueprint, outlining the intricate network of electrical connections within the vehicle.

2. Understanding the historical context is paramount, as the 1967 Nova represents a pivotal period in the evolution of automotive electrical systems.

3. The fuse panel, a central component, consists of fuses and wires, each playing a vital role in safeguarding against electrical overloads and ensuring efficient power distribution.

4. In the realm of electrical circuitry, the Nova exhibits well-defined circuits that power various components, showcasing a meticulous arrangement for optimal functionality.

5. The functionalities of fuses and wiring within the Nova's electrical system can be metaphorically likened to a harmonious symphony, where fuses act as guardians and wiring as conductors.

6. A comparative analysis between classic and modern automotive electronics reveals the technological advancements that have shaped the automotive landscape over the years.

7. The diagnostic insights for troubleshooting provided by the fuse panel schematic empower vehicle owners to decipher and address potential electrical issues effectively.

8. Maintenance and upkeep play a crucial role, and adherence to best practices ensures the longevity and reliability of the 1967 Chevy Nova's electrical system.

9. Future perspectives involve contemplating potential upgrades for the electrical system, blending modern innovations with the timeless charm of the 1967 Chevy Nova.

10. In summary, the fuse panel schematic of the 1967 Chevy Nova not only serves as a guide to the vehicle's electrical intricacies but also provides a historical lens through which the evolution of automotive technology can be examined and appreciated.

Conclusion : Rev Up Your Ride: Unveiling the 1967 Chevy Nova Fuse Panel Schematic for Peak Performance!.

Thank you for joining us on this enlightening journey into the intricacies of the 1967 Chevy Nova fuse panel schematic. We hope that this exploration has provided you with valuable insights into the engineering marvels that power this timeless classic. As you reflect on the various components and their roles within the fuse panel, consider this explanation as a guide to unlocking the full potential of your vintage vehicle.

For those seeking to delve deeper, we encourage you to use the instructions embedded in the article for troubleshooting and maintenance. Applying these best practices will not only ensure the optimal functioning of your Nova's electrical system but will also contribute to its longevity. Remember, the 1967 Chevy Nova fuse panel schematic is more than a technical diagram; it's a gateway to understanding the synergy of classic automotive engineering. We invite you to incorporate these insights into your journey with the 1967 Chevy Nova, preserving its legacy for years to come.

Question and answer Rev Up Your Ride: Unveiling the 1967 Chevy Nova Fuse Panel Schematic for Peak Performance!

Questions & Answer :

Q: What is the purpose of the fuse panel in a 1967 Chevy Nova?

  • A: The fuse panel in the 1967 Chevy Nova serves as a crucial component of the electrical system, distributing electrical power to various parts of the vehicle while safeguarding against overloads. It acts as a protective hub, ensuring the smooth and safe operation of the car's functions.

Q: Can I troubleshoot electrical issues in my 1967 Chevy Nova using the fuse panel schematic?

  • A: Absolutely! The fuse panel schematic is a valuable tool for troubleshooting electrical issues. It provides a visual guide to the wiring and fuses, aiding in the identification of potential problems. Refer to the schematic, and follow the instructions to pinpoint and address issues effectively.

Q: How different is the electrical system in the 1967 Chevy Nova compared to modern cars?

  • A: The electrical system in the 1967 Chevy Nova is more straightforward compared to modern cars. While it lacks the complexity of today's computerized systems, its simplicity is part of its charm. The fuse panel schematic offers a glimpse into the vintage engineering that powered automobiles of that era.

Q: Are there specific maintenance tips for the fuse panel in a 1967 Chevy Nova?

  • A: Certainly! Regular maintenance is key. Inspect the fuses and wiring for any signs of wear or damage. Keep the contacts clean and secure. Following the instructions outlined in the owner's manual and our article on maintenance best practices will contribute to the longevity of your Nova's electrical system.

Q: Can I upgrade the electrical system in my 1967 Chevy Nova for modern features?

  • A: Yes, you can! Upgrading the electrical system is a popular choice among enthusiasts. While preserving the classic charm, you can integrate modern features for enhanced convenience and safety. Consult with experts and follow recommended guidelines to ensure a seamless integration.

Keywords : '1967 CHEVY NOVA FUSE PANEL SCHEMATIC'
Share This :